分类
贴片压电式蜂鸣器是一种利用压电效应发声的装置。压电效应指的是某些材料在受到外力作用时会产生电荷分布不对称的现象,从而导致材料表面产生电场,产生声波。贴片压电式蜂鸣器就是利用这种效应发声的。
SMD压电蜂鸣器是一种支持表面贴装的小型驱动器,它使用薄膜元件和驱动电路来发出声音。它通常由一个或多个细薄的片状设备构成,其中包括空气声学器件、电能转换器和驱动电路。
与压电蜂鸣器相比SMD压电蜂鸣器具有如下的一些特征:
1、SMD压电蜂鸣器支持表面贴装,可以实现更小的体积、更轻的重量和更少的附件,从而实现产品设计节省成本的目标。
2、SMD压电蜂鸣器具有良好的抗振性和高稳定性,具有高信号质量、高性能和高可靠性。
3、SMD压电蜂鸣器可以提供更大的频率范围,从而给设计师们更多的设计灵活性。
SMD压电蜂鸣器具体应用:
1、SMD压电蜂鸣器可以用于汽车电子,可以用于警报、设备故障提示、高速报警、系统运行指示等。
2、SMD压电蜂鸣器可以用于通讯设备,可以用于电话拨号提示、按键反馈声音、短信提示等。
3、SMD压电蜂鸣器可以用于家电设备,可以用于录音机提示、话筒提示、洗衣机状态提示等。
4、SMD压电蜂鸣器可以用于安防设备,可以用于报警器、门铃、摄像头报警、安全报警系统等。
规格参数: | |
额定电压 (Vp-p) | 7.0 |
工作电压 (Vp-p) | 2~25 |
额定电流 (mA) | MAX.3.0 |
声音输出在10cm (dBA) | MIN.85 |
电容在1KHz (pF) | 15000 ± 30% |
共振频率 (Hz) | 3650 |
工作温度 (℃) | -30~+70 |
储存温度 (℃) | -40~+80 |
外壳材料 | LCP |
重量 (g) | 2.0 |
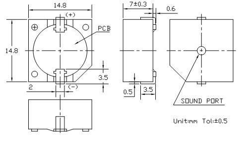
尺寸图:
